Студопедия
rus | ua | other

Home Random lecture






Способы повышения качества стабилизации в компенсационных стабилизаторах непрерывного действия.


Date: 2015-10-07; view: 932.


Существуют следующие способы повышения качества стабилизации в компенсационных стабилизаторах непрерывного действия:

 
 

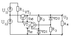
1 Увеличение коэффициента усиления по постоянному току за счет использования в качестве УПТ вместо транзистора операционного усилителя. При этом повышается коэффициент стабилизации за счет увеличения коэффициента усиления, но снижается устойчивость системы с замкнутой ООС. Включение цепей коррекции (интегро-дифференцирующих звеньев) исключает частотные изменения коэффициента усиления и повышает устойчивость. На рисунке приведена схема компенсационного стабилизатора с параллельным РЭ и операционным усилителем. При возрастании напряжения U1 в первоначальный момент времени увеличивается напряжение на нагрузке UН. Это приводит к увеличению напряжения обратной связи и повышению положительного потенциала на базе транзистора VT1. Транзистор VT1 приоткрывается, возрастает ток, потребляемый от источника U1 , увеличивается падение напряжения на балластном резисторе R1 и напряжение на нагрузке восстанавливается.

 
 

Для увеличения коэффициента усиления УПТ можно увеличить сопротивление нагрузки R1 и, соответственно, напряжение питания и подавать его на УПТ от отдельного внешнего источника с большим уровнем напряжения.

 

2

 
 

Введение токостабилизирующего звена в выходной цепи УПТ, при этом исключается влияние изменений входного напряжения на выходной ток усилителя.

 

При возрастании входного напряжения U1 напряжение на стабилитроне VD1 остается постоянным, что позволяет поддерживать постоянство напряжения между базой и эмиттером транзистора VT1. При этом выходной ток стабилизатора тока (IK1) остается постоянным. Поэтому выходной ток УПТ становится зависимым только от уровня напряжения обратной связи.

3

 
 

Введение дополнительных источников эталонного напряжения, которые устанавливаются в цепи эмиттера и базы транзисторного усилителя, при этом повышается чувствительность стабилизатора.

33. Функциональная схема импульсного стабилизатора постоянного напряжения. Коэффициент стабилизации.

Импульсный стабилизатор напряжения включает в себя РЭ (VT1), сглаживающий фильтр (LC), схему управления.

 
 

Силовой контур импульсного стабилизатора имеет три состояния. При подаче управляющего импульса (UШИМ) на силовой транзисторный ключ VT1 происходит передача напряжения источника питания U1 через открытый транзистор в нагрузку. Накапливается реактивная энергия в дросселе сглаживающего фильтра L. При размыкании ключа (на интервале паузы широтно- модулированного (ШИМ) сигнала) энергия дросселя передается через обратный диод VD в нагрузку. Если на интервале паузы ток дросселя спадает до нуля, то возникает режим прерывистого тока дросселя, при котором конденсатор разряжается в нагрузку. Схема управления включает в себя: делитель напряжения (R5, R6) с коэффициентом деления K1 = R6/(R5+R6); усилитель сигнала рассогласования с коэффициентом передачи K2 (Ue = UОС – UЭТ); компаратор напряжения K3, который формирует ШИМ - сигнал. Он равен “1”, если уровень пилообразного напряжения больше уровня напряжения UОС. При возрастании входного напряжения U1 уменьшается площадь между уровнем напряжения “пилы” и UОС, что приводит к уменьшению по длительности ШИМ- сигнала. Среднее значение напряжения на выходе при этом уменьшается, т.е. U2 восстанавливается.

 

 
 

Коэффициент стабилизации компенсационного стабилизатора напряжения

 
 

Компенсационный стабилизатор – это система автоматического регулирования с ООС. Дестабилизирующими факторами для выходного напряжения являются изменение тока нагрузки, температурный режим нелинейных элементов и изменение напряжения на входе. На выходе схемы сравнения получаем сигнал ошибки, как разность управляющего сигнала и эталонного напряжения. По сигналу ошибки Ue изменяется состояние РЭ, засчет чего поддерживается постоянство напряжения на выходе U2. Качество стабилизации компенсационного стабилизатора определяется значением петлевого коэффициента усиления Кпет:

где К1- коэффициент передачи делителя цепи обратной связи;

К2=β1× β2××× βn– коэффициент усиления по току составного транзистора УПТ, если в качестве УПТ используется операционный усилитель, то

 

 

 
 

Для компенсационных стабилизаторов напряжения непрерывного действия – К3=β1× β2××× βn– коэффициент усиления по току составного транзистора РЭ.

Для компенсационного стабилизатора напряжения импульсного действия:

, где Uпм – размах пилообразного напряжения генератора пилы.


<== previous lecture | next lecture ==>
Компенсационные стабилизаторы напряжения с последовательным и параллельным включением РЭ. Достоинства и недостатки. | Стабилизаторы в цепи переменного тока. Регулирование напряжения импульсным методом в цепи переменного тока.
lektsiopedia.org - 2013 год. | Page generation: 0.714 s.