Главная страница Случайная лекция
Мы поможем в написании ваших работ! Порталы: БиологияВойнаГеографияИнформатикаИскусствоИсторияКультураЛингвистикаМатематикаМедицинаОхрана трудаПолитикаПравоПсихологияРелигияТехникаФизикаФилософияЭкономика
Мы поможем в написании ваших работ! |
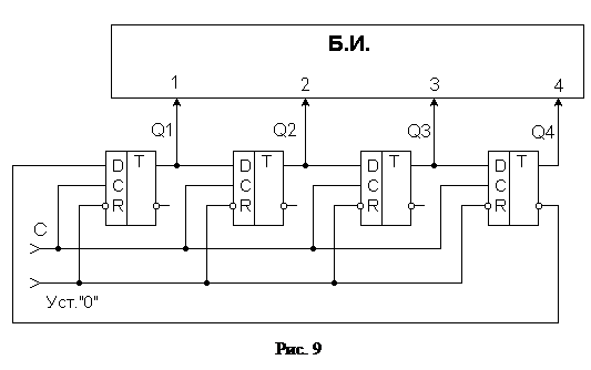
Счетчик Джонсона
Счетчики Джонсона представляют собой разновидность кольцевых регистров сдвига. Они также строятся на D-триггерах, но цепочка из n триггеров имеет не n, а 2n состояний. Единственное различие между кольцевым регистром сдвига и счетчиком Джонсона состоит в том, что вход регистра сдвига соединен не с выходом Q последнего триггера, а с выходом Q (рис. 9). Это, естественно, приводит к различию в действии обоих устройств: 1. Вместо "перескакивания" с каждым тактовым импульсом единицы из триггера в триггер здесь единичное состояние принимает очередной триггер, и так - в течение первых n импульсов. 2. По достижении единичного состояния всеми триггерами счетчика Джонсона в течение следующих n тактовых импульсов будет происходить "заполнение" триггеров нулями. По достижении всеми триггерами нулевого состояния описанный цикл работы счетчика повторяется.
2.6 " Бегущие огни "
Отдельные регистры и счетчики, как и сами триггеры не имеют конкретного практического применения, гораздо лучше наблюдать за их работой в составе действующего электронного устройства. Наиболее подходящим устройством для демонстрации работы всех видов регистров и счетчиков можно назвать автомат световых эффектов типа "Бегущие огни". Подобный автомат обладает большой наглядностью. В этом автомате может быть реализована практически любая схема из приведенных в предыдущих заданиях. Для того, чтобы оживить эти схемы достаточно подать на их входы импульсы от тактового генератора, встроенного в мекетную панель, вместо того, чтобы подавать их вручную. Так например схема регистра сдвига представляет собой готовый автомат "Бегущие огни", в котором "огни" будут перемещаться слева направо или наоборот. Совершенно другой световой эффект получается при применении схемы счетчика Джонсона где перемещаться будут не "огни" а чередующиеся "волна света" и "волна тени". Во всех случаях есть возможность изменения темпа перемещения "огней", изменяя частоту следования импульсов задающего генератора.
Список рекомендуемой литературы
1. Жеребцов И.П. Основы электроники. Л.: Энергоатомиздат, 1985. 467 с. 2. Зельдин Е.А. Триггеры. М.: Энергоатомиздат, 1983. 174 с. 3. Микросхемы и их применение. Изд. 2-е / Батушев В.А., Вениаминов В.Н., Ковалев В.Г. и др. М.: Радио и связь, 1983. 272 с. 4. Браммер Ю.А., Пащук И.Н. Импульсная техника. М.: Высшая школа, 1985. 315 с. 5. Интегральные микросхемы / Справочник. Под ред. Б.В. Тарабрина. М.: Энергоатомиздат, 1985. 528 с. 6. Применение интегральных микросхем в электронной вычислительной технике / Справочник. Под ред. Б.Н. Файзулаева, Б.В. Тарабрина. М.: Радио и связь, 1986. 384 с. 7. Шило В.Л. Популярные цифровые микросхемы / Справочник. М.: Радио и связь, 1987. 352 с. 8. Аналоговые и цифровые интегральные микросхемы / Под ред. С.В. Якубовского. М.: Радио и связь, 1984. 432 с. 9. Агаханян Т.М. Интегральные микросхемы. М.: Энергоатомиздат, 1984. 464 с. 10. Ланцов Л.П., Зворыкин Л.Н., Осипов И.Ф. Цифровые устройства на комплементарных МДП интегральных микросхемах. М.: Радио и связь, 1983. 272 с. 11. Бирюков С.А. Цифровые устройства на интегральных микросхемах. М.: Радио и связь, 1984. 88 с. 12. Зельдин Е.А. Цифровые интегральные микросхемы в информационно-измерительной аппаратуре. Л.: Энергоатомиздат, 1986. 280 с. 13. Функциональные устройства на микросхемах / Под ред. В.З.Найдерова. М.: Радио и связь, 1985. 200 с. 14. Алексеев С. Применение микросхем серии К176 // Радио, 1984. № 4, 5, 6. 15. Алексеев С. Применение микросхем серии К155 // Радио, 1986. № 5, 6, 7. 16. Алексеев С. Применение микросхем серии К561 // Радио, 1986. № 11, 12. 17. Власенко В. Прибор для налаживания цифровых устройств // Радио, 1985. № 12. С. 36 - 38. 18. Сикарев А.А., Лебедев О.Н. Микроэлектронные устройства формирования и обработки сложных сигналов. М.: Радио и связь, 1983. 214 с. 19. Яблонский Ф.М., Троицкий Ю. В. Средства отображения информации. М.: Высшая школа, 1985. 199 с. 20. ОСТ 4.ГО.010009-84. Модули электронные первого и второго уровней радиоэлектронных средств. Конструирование. 21. Гелль П.П., Иванов-Есипович Н.К. Конструирование и микроминиатюризация радиоэлектронной аппаратуры. Л.: Энергоатомиздат, 1984. 536 с. 22. Гуськов Г.Я. и др. Монтаж микроэлектронной аппаратуры. М.: Радио и связь, 1986. 176 с. 23. Димитрова М.И., Пунджев В.П. 33 схемы на триггерах: Пер. с болг. Л.: Энергоатомиздат, 1990. 96 с. 24. Ковалев В.Г., Ламекин В.Ф. Радиолюбителю о микросхемах. М., Изд-во ДОСААФ, 1975. 120 с. 25. Трейстер Р. Радиолюбительские схемы на ИС: Пер. с англ. М.: Мир, 1988. 370 с. 26. Справочник радиолюбителя-конструктора. М.: Радио и связь, 1983. 512 с. 27. Осторожно! Электрический ток! // Радио, 1983. № 8. С. 55. 28. Микросхемы и их применение. Изд. 3-е. М.: Радио и связь, 1989. 240 с. 29. Горошков Б.И. Элементы радиоэлектронных устройств. М.: Радио и связь, 1990. 174 с. 30. Скворень Р.А. Электроника шаг за шагом: Практическая энциклопедия юного радиолюбителя. М.: Детская литература, 1991. 446 с. 31. Шленциг К., Штаммлер В. Самодельные электронные устройства в быту: Пер. с нем. М.: ДОСААФ, 1984. 144 с.
Дата добавления: 2014-12-09; просмотров: 669; Нарушение авторских прав
Мы поможем в написании ваших работ! |