Студопедия

Мы поможем в написании ваших работ!




Назначение и классификация детекторов

МИНИСТЕРСТВО ОБОРОНЫ СССР

КРАСНОЯРСКОЕ ВЫСШЕЕ КОММАНДНОЕ УЧИЛИЩЕ

РАДИОЭЛЕКТРОННИКИ ПРОТИВОВОЗДУШНОЙ ОБОРОНЫ

 

 

Н. П. Козлов, В. П. Ляховский

РАДИОПРИЕМНЫЕ УСТРОЙСТВА РЭТ

ЧАСТЬ II

Курс лекций

 

ДЕТЕКТОРЫ

Назначение и классификация детекторов

 

Детекторы предназначены для преобразования модулированных ко­лебаний радиочастоты или промежуточной частоты в напряжения (или то­ки), изменяющиеся по закону модуляции. Это преобразование называют детектированием.

В приемниках прямого усиления детектор ставится после усили­теля радиочастоты, в супергетеродинных приемниках - после усилители промежуточной частоты.

Кроме того, детекторы находят применение во вспомогательных устройствах приемника (системах АПЧ, АРУ и т.д.) В этих случаях детектор позволяет получать управляющее напряжение, пропорциональ­ное отклонению того или иного параметра входного колебания от своего номинального или начального значения. Такие детекторы принято называть дискриминаторами.

В зависимости от вида модуляции принимаемых сигналов детек­торы могут быть амплитудными (АД), частотными (ЧД), и фазовыми (ФД). В состав частотных и фазовых детекторов входит, как правило, амплитудный детектор.

Рассмотрим особенности назначения и классификации амплитудных детекторов.

Амплитудный детектор осуществляет преобразование амплитудно-модулированного электрического колебания радиочастоты или промежу­точной частоты в модулирующее колебание выделяет огибающую высокочастотных колебаний. На рис.7.1. показаны временная и спек­тральная зависимости входного и выходного напряжений амплитудного детектора в случае детектирования одиночного радиоимпульса.


Как видно из этих рисунков, в спектре выходного сигнала появляются частоты, которых не было во входном сигнале. Поскольку появление новых частот возможно лишь при использовании нелинейного элемента, то в состав амплитудного детектора должен входить нелинейный элемент.

 

Спектр сигнала на выходе детектора содержит кроме полезных низкочастотных составляющих ряд высокочастотных составляющих.

Для выделения низкочастотного (модулирующего) напряжения в состав детектора кроме нелинейного элемента должен входить фильтр низких частот.

По типу используемого нелинейного элемента различают диодные
(двухэлектродные) и многоэлектродные амплитудные детекторы.

В диодных амплитудных детекторах в качестве нелинейного элемента используется диод. Они отличаются простотой схемы и большим динамическим диапазоном. Это определят их преимущественное применение в РПрУ радиолокационных сигналов.

По способу подключения нагрузки к диоду различают детекторы:

с последовательной нагрузкой (рис.7.2,а);

с параллельной нагрузкой (рис.7.2,б);

с раздельной нагрузкой (рис.7.2,в)

с удвоенным напряжением (рис.7.2,г)


Детектор с последовательной нагрузкой обладает более высоким входным сопротивлением Rэк и коэффициентом фильтрации Кф.

 

Детектор с раздельной нагрузкой обладает повышенной фильтрацией ВЧ составляющих.

Детектор с удвоением напряжения применился в тех случаях когда необходимо обеспечить большой коэффициент передачи.

По виду детектируемого сигнала различают диодные детекторы непрерывных и импульсных сигналов.

Разновидностью амплитудных детекторов является пиковый детектор, выделяющий огибающую последовательности радио или видеоимпульсов.

 

 

7.2. Принцип работы я технические параметры
амплитудных детекторов

 

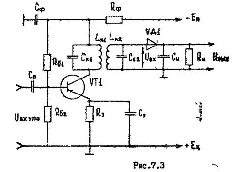
Рассмотрим принцип действия АД, подключенного к выходному каскаду УПЧ и собранного по схеме с последовательным подключением нагрузки (рис.7.3).

Будем полагать, что на выходе АД имеется одиночный радиоимпульс с прямоугольной огибающей.

Физические процессы в схеме иллюстрируются рис.7.4. К моменту прихода радиоимпульса прямоугольной формы емкость Сн практическиразряжена и напряжение на выходе детектора отсутствует.

С приходом радиоимпульса в течение первого положительного полупериода входного напряжения начинается заряд емкости Сн. Заряд емкости Сн продолжается до тех пор, пока напряжение на аноде диода (Uвх > Ucи) положительное, т.е. в интервале от t0 до t1. В момент t1 напряжение на емкости Сн становится равным напряжению на входе детектора (Ucи = Uвх) и напряжение на
диоде равно нулю.

Анодный ток прекращается и начинается разряд емкости через резистор нагрузки Rн. Разряд продолжается до момента t2.


 

В промежутке времени от t1 до t2 на аноде диода действует отрицательное напряжение и диод заперт. С момента t2напряжение нааноде диода опять становится положительным (Uвх > Ucн) и емкость Сн снова заряжается до момента t3.

этого момента t3 происходит очередной заряд емкости через резистор Rн.

Выходное напряжение детектора увеличивается до тех пор пока приращение заряда емкости Сн не станет равным убыли заряда Сн в течение промежутка времени между импульсами тока. С этого момента режим работы схемы называется установившимся. В установившемся режиме выходное напряжение детектора остается постоянным.

После прекращения радиоимпульса диод оказывается запертым (Ucн >Uвх=0) и емкость Сн разряжается через резистор Rн. Из рис.7.4. видно, что в результате переходного процесса форма видеоимпульса на выходе детектора отличается от прямоугольной, т.е. в процессе детектирования имеют место искажения огибающей радиоимпульса. Степень этих искажений можно оценить временем установления
фронта tу и временем среза tс видеоимпульса.

Время установления фронта видеоимпульса определяется временем заряда емкости Сн от 0.1U = до 0.9U т.е. ty = 2.2 RдCн, где

 

 

- внутреннее сопротивление детектора.

 

Время среза определяется временем разряда емкости Сн от 0,9U до 0.1U. Как следует из рис. 7.5. разряд емкости Сн осуществляется только через резистор Rн т.к. диод закрыт. Следовательно, tс = 2.2 RдCн.

Из выражений следует, что tс > tу, т.е. фронт импульса искажается значительно меньше. Кроме того, из анализа этих выражений следует, что для улучшения формы выходного импульса необходимо уменьшать резистор Rн или емкость Сн.
Необходимо выяснить, как влияет изменение этих элементов на другие параметры детектора.

Для пояснения физического смысла основных технических параметров детектора - коэффициента передачи и коэффициента фильтрации изобразим эпюры тока и напряжения в установившемся режиме (рис. 7.5),

 

Под действием входного сигнала через диод протекают импульсы тока. Эти импульсы можно представить рядом Фурье в виде постоянной составляющей I и переменных составляющих краткие частоте Wc.

 

 

За счет постоянной составляющей тока I на резисторе нагрузки Rн создается падение напряжения U = I = Rн, которое в данном случае является полезным результатом детектирования. Кроме того, напряжение на нагрузке диода U смещает рабочую точку на вольт-амперной характеристике влево, т.е. действует как напряжение смещения.

Токи с частотами Wc, 2Wc, и т.д. не должны создавать напряжения на резисторе Rн. Для этого величина емкости Сн должна быть достаточно большой, чтобы выполнялось соотношение

 

 

 

 

Если на детектор поступает амплитудно-модулированный сигнал, то
среднее значение выпрямленного тока I будет изменяться по закону
огибающей амплитудно-модулированного сигнала и напряжение на нагрузке
детектора будет также изменяться по этому закону.

Коэффициент передачи напряжения: Кд = U/Uвх в соответствии с рис.7.5.

Постоянная составляющая косинусоидальных импульсов тока определяется
равенством I = Iмакс*L0(0).

Изменяя угол отсечки 9 и значение Rн можно изменять Кд в широких пределах. Дkя определения Кд можно использовать и графические зависимости Кд от соотношения Rн/Ri (рис.7. 6.).

Таким образом, для увеличения коэффициента передачи детектора необходимо увеличивать сопротивление нагрузки. Кроме того, следует отметить, что коэффициент передачи зависит не только от величины Rн, но и от отношения Rн/Ri, следовательно необходимо выбирать диоды с наименьшим внутренним сопротивлением.

Коэффициент фильтрации детектора показывает какая часть высокочастотных колебаний со входа просачивается и наблюдается на выходе детектора.

Для определения коэффициента фильтрации необходимо знать величину амплитуда напряжения высокочастотного сигнала на выходе детектора U1 тогда Механизм выделения на нагрузке детектора высокочастотного Kф = Uвх/ U1

Механизм выделения на нагрузке детектора высокочастотного напряжения отображает эквивалентная схема детектора на высокой частоте, представленная на рис.7.7.

Таким образом, для увеличения коэффициента фильтрации детектора необходимо увеличивать емкость нагрузки и выбирать диоды с минимальной межэлектродной емкостью Сак.

Из соотношений следует, что улучшение Кд и Кф сопровождается ухудшением формы выходного видеоимпульса и наоборот.
Следовательно, в реальных схемах необходимо выбирать какой-то парамитр в качестве основного. Часто для увеличения коэффициента фильтраций без увеличения Сн используют включение дросселя между нагрузкой детектора и входом следующего каскада (рис7.8).

Межвитковая емкость дросселя Сни индуктивность Lдр образуют колебательный контур, который настраивается на частоте (0,5...0,7)fпр. При этом сопротивление контура имеет емкостной характер. В результате образуется комбинация из двух ёмкостных делителей (рис,7.9), коэффициент фильтрации при этом

Наряду с техническими параметрами Кд и Кф важное значение имеют и детекторные характеристики, отображающие зависимость постоянной составляющей выходного тока детектора I от амплитуды входного сигнала (рис.7.10).


 


Поэтому режим работы детектора при U < U1 называют квадратичным детектированием. Коэффициент передачи напряжения детектора при этом зависит от величины входного сигнала

что приводит к нелинейным искажениям. Участок детекторных характеристик при Uвх >U1 практически линейный, т.е. I == аUвх и коэффициент передачи Кд = аUвх не зависит от величины входного сигнала. Поэтому в радиоприемных устройствах линейный режим работы обеспечивается подбором величины коэффициента усиления УПЧ при котором Uвых упч > U1, т.е. 1...2В для ламповых детекторов и 0,4...0,6В для полупроводниковых детекторов.


<== предыдущая страница | следующая страница ==>
ЦЕПИ ТРОГАНИЯ ТЕПЛОВОЗА | Пиковые детекторы

Дата добавления: 2015-07-26; просмотров: 910; Нарушение авторских прав




Мы поможем в написании ваших работ!
lektsiopedia.org - Лекциопедия - 2013 год. | Страница сгенерирована за: 0.319 сек.