Студопедия

Мы поможем в написании ваших работ!




Классификация триггеров

Триггеры классифицируют по следующим признакам:

  • способу приема (записи) информации;
  • принципу построения;
  • функциональным возможностям.

21. Одноступенчатые и двухступенчатые триггеры. Аномальные состояния триггеров

В одноступенчатом триггере имеется одна ступень запоминания информации, а в двухступенчатом - две такие ступени. Вначале информация записывается в первую ступень, а затем переписывается во вторую и появляется на выходе.
Одноступенчатые триггеры, как правило, представляют собой сочетание ключа доступа к ЭП и самого элемента памяти.

Двухступенчатые триггеры состоят из двух одноступенчатых триггеров.

Первая ступень (master - хозяин) - ведущая, она используется для приема информации.

Вторая ступень (slave - исполнитель) - ведомая, используется для записи и хранения.

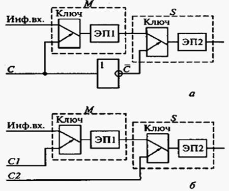
Управлять той и другой ступенью можно с помощью одного (а) или двух (б) управляющих синхроимпульсов. В первом случае схемы относятся к однотактным триггерам, во втором - к двухтактным.

Тактируемые триггеры имеют два важных параметра - время предустановки tSU(Set-Up Time) и время выдержки или иначе время удержания tH (Hold Time). Время tSU - это интервал до поступления синхросигнала, в течение которого информационный сигнал должен оставаться неизменным.
Время выдержки tH - это время после поступления синхросигнала, в течение которого информационный сигнал должен оставаться неизменным.
Соблюдение времен предустановки и выдержки обеспечивает правильное восприятие триггером входной информации. Нарушение этих требований чревато возникновением аномальных состояний триггеров, несовместимых с нормальным функционированием аппаратуры.

22. Асинхронные и синхронные RS- триггеры: таблица переходов, характеристическое уравнение, временные диаграммы

Асинхронный триггеризменяет свое состояние непосредственно в момент появления соответствующего информационного сигнала. В асинхронных триггерах элемент памяти доступен для записи информации всегда.
В синхронных триггерах доступ в ЭП возможен только при наличии управляющего сигнала на так называемом входе синхронизации С (от англ. clock), который воздействует на ключ доступа или схему управления ЭП. Этот вход также обозначают терминами «строб», «такт».

RS-триггером называют запоминающий элемент с раздельными информационными входами для установки его в состояние "0" (R-вход) ив состояние "1" (S-вход). Название RS-триггер образовано от первых букв слов RESET (сброс) и SET (установка).

Таблица переходов

23. D-, JK- и T-триггеры: таблицы переходов, характеристические уравнения, временные диаграммы

Триггером типа JK (J - Jerk, K - Kill) называется запоминающий элемент с двумя устойчивыми состояниями и информационными входами J (аналог S) и К (аналог R), которые обеспечивают соответственно раздельную установку состояний "1" и "0". Он функционирует подобно RS-триггеру, однако при совпадении сигналов J = K = 1 переключается в противоположное состояние, то есть реализует сложение сигналов по модулю два. Таким образом, JK-триггер не имеет запрещенных комбинаций входных сигналов.

JK-триггер является универсальным, поскольку может выполнять функции RS-триггера (при раздельном поступлении сигналов J и К), T-триггера (при одновременной подаче сигналов J и К), D-триггера (при подаче сигнала от входа J через инвертор на вход К):

Триггером типа D называется синхронный запоминающий элемент с двумя устойчивыми состояниями и одним информационным D-входом. Закон функционивания D-триггера описывается логическим уравнением:

 

Qt+1=Ct^Dt

Триггером типа Т называется запоминающий элемент с двумя устойчивыми состояниями и одним информационным T-входом. Состояние T-триггера изменяется на противоположное после каждого поступления счетного сигнала на T-вход. Логика функционирования асинхронного счетного триггера представлена таблицей переходов:

Т-триггер можно также построить на базе D-триггера с помощью обратной связи ~Q→D:

24. Регистры: классификация, параметры, схемы

Регистром называется типовой функциональный узел, предназначенный для приема, временного хранения, преобразования и выдачи n-разрядного двоичного слова. Регистр содержит регулярный набор однотипных триггеров, в каждом из которых хранится значение одного разряда двоичного слова. Наиболее часто для построения регистров используют триггеры типов RS-, JK- и D-типов.

Регистры, предназначенные только для приема (записи), хранения и передачи информации, называются элементарными или фиксаторами. Регистры, в которых чтение данных совмещается с микрооперациями сдвига, называются сдвиговыми.


<== предыдущая страница | следующая страница ==>
Базис 2ИЛИ-НЕ | Классификация регистров

Дата добавления: 2015-06-30; просмотров: 478; Нарушение авторских прав




Мы поможем в написании ваших работ!
lektsiopedia.org - Лекциопедия - 2013 год. | Страница сгенерирована за: 0.102 сек.