Студопедия

Мы поможем в написании ваших работ!




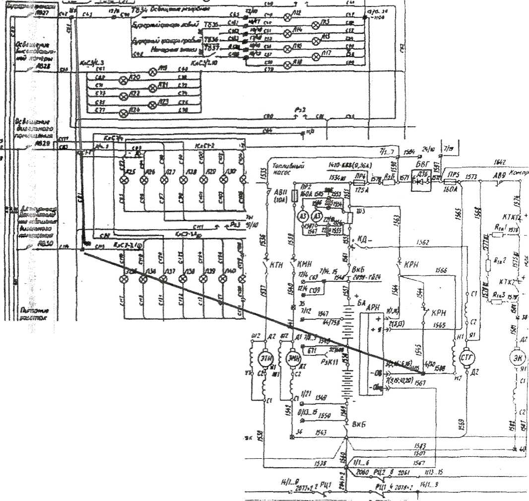
Аварийное возбуждение СТГ при неисправности АРН

 

 

1. В кабине управления включить буферные фонари и номерные знаки.

2. В дизельном помещении включить "Дежурное освещение".

3. В нерабочей кабине довести количество горящих ламп до 7-11 шт.

4. Выключить автоматы на ВВК "буферные фонари" и "Дежурное освещение дизельного помещения".

5. Выключить тумблер ТБ12 и снять штепсельный разъем с регулятора напряжения ППС-20.

6. Поставить перемычки между клеммами 8/З и 8/6, 8/6 и 4/30.

7. Включить тумблер ТБ12 -при этом должно быть на "0" позиции:
- напряжение цепей управления 104 В;.

- лампа "Нет заряда АБ" горит в пол накала;

- амперметр в цепи АБ покажет "0".

8. При наборе 2-й позиции напряжения цепей управления должно составить 105-106 В, ток заряда АБ - 4-6 А.

9. При отсутствии этих параметров отрегулировать отключением (включением) буферных
фонарей в задней кабине или лампами дежурного освещения.

10. Напряжение цепей управления при наборе позиций поддерживать отключением "Буферных фонарей" и "Номерных знаков" ирабочей кабине.

11. При включении компрессора на 2-й позиции увеличить обороты до появления тока зарядки АБ.

12. При работе под нагрузкой включить необходимое количество ламп (буферные фонари и
номерные знаки).

13. Следить за током зарядки во время отключения компрессора (в этот момент происходит бросок тока и напряжения).



<== предыдущая страница | следующая страница ==>
Аварийное возбуждение ГГ | Режим тяги

Дата добавления: 2015-07-26; просмотров: 246; Нарушение авторских прав




Мы поможем в написании ваших работ!
lektsiopedia.org - Лекциопедия - 2013 год. | Страница сгенерирована за: 0.236 сек.